Корректор СПГ 761

Корректоры СПГ 761 предназначены для измерения электрических сигналов, соответствующих параметрам природного газа, транспортируемого по трубопроводам, и вычисления расхода и объема газа, приведенных к стандартным условиям (Тс=20 °С, Рс=0,101325 МПа). 

Конфигурация входов: 8I+ 4F+ 4R (без подключения адаптеров АДС97), 12I+ 8F+ 8R (с одним адаптером АДС97), 16I+12F+12R (с двумя адаптерами АДС97).


Полное описание

Корректоры СПГ 761 применяются в составе измерительных комплексов (систем) и обеспечивают комплексное решение широкого круга задач:

  • коммерческий учет потребления и отпуска природного газа;
  • контроль технологических параметров потока газа;
  • организация систем диспетчеризации и контроля потребления газа.

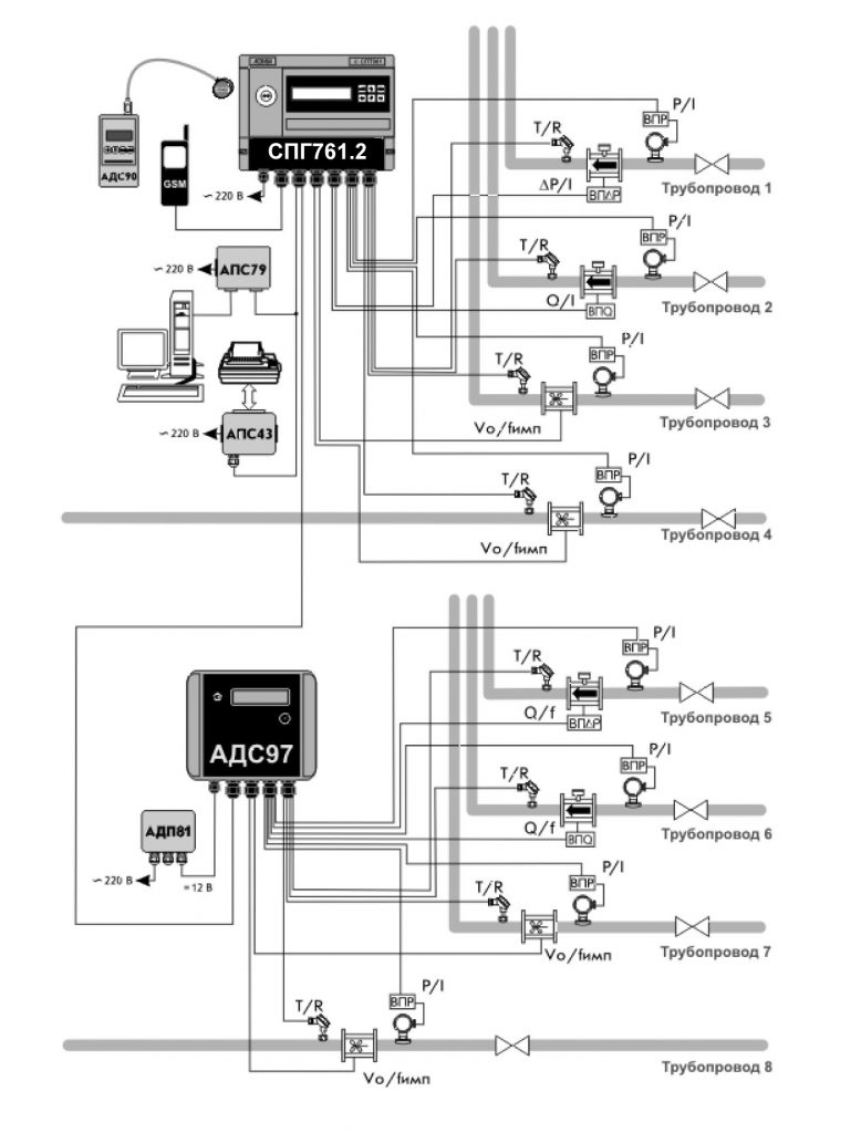
Пример применения корректора в составе измерительного комплекса показан на рисунке.

SPG761shema.jpg

Рисунок. Измерительный комплекс на базе корректора.

Корректоры СПГ 761 соответствуют ГОСТ 30319.1-2015, ГОСТ 30319.2-2015, ГОСТ 30319.3-2015, ГОСТ 8.586.1 - ГОСТ 8.586.5, РД 50-411, ГОСТ Р 8.740-2011, МИ 2667-2011, МИ 3173-2008, ФР.1.29.2003.00885. Коэффициент сжимаемости газа вычисляется по уравнениям ВНИЦ СМВ, GERG-91 мод. и методу NX-19 мод.

Корректоры рассчитаны на работу совместно с датчиками расхода, объема, перепада давления, давления и температуры газа, а также, при необходимости, с датчиками плотности, влажности и удельной теплоты сгорания. Корректоры могут обслуживать до двенадцати трубопроводов.

Непосредственно к прибору могут быть подключены:

  • восемь преобразователей с выходными сигналами тока 0–5, 0–20 или 4–20 мА;
  • четыре преобразователя с выходным импульсным или частотным сигналом 0–5 кГц;
  • четыре термопреобразователя сопротивления с характеристикой 50П, Pt50, 100П, Pt100, 50М, 100М.

Для модели 761.2 посредством адаптеров АДС97, подключаемых по дополнительному интерфейсу RS485, количество входов для подключения датчиков может быть увеличено.

Адаптер АДС97 имеет 4 входа для подключения датчиков расхода с импульсными выходными сигналами, 4 входа для подключения датчиков различного назначения с унифицированными токовыми выходными сигналами, 4 входа для подключения термопреобразователей сопротивления.

К корректору СПГ761.2 можно подключить один или два адаптера АДС97.

Корректоры осуществляют непрерывный контроль входных электрических сигналов и параметров потока газа. Любые недопустимые отклонения параметров и сигналов от нормы фиксируются в архиве диагностических сообщений с привязкой по времени. Средние и суммарные значения измеряемых и вычисляемых параметров заносятся в архивы, причем с привязкой к расчетному дню и часу.

Существует три типа архивов, имеющие различную глубину хранения:

  • часовые архивы - 1080 ч;
  • суточные архивы - 366 сут.;
  • месячные архивы - 24 мес.

В специальных архивах ведется учет полного времени работы, перерывов электропитания и изменений настроечных параметров.

Приборы имеют два уровня защиты данных: пароль и защищенный пломбой механический переключатель. Время последнего включения и выключения переключателя защиты данных фиксируется программой прибора и не может быть изменено пользователем.

Для реализации коммуникационных возможностей приборы снабжены интерфейсами: RS232C, оптическим по стандарту IEC1107, одним (мод.761.1) или двумя (мод. 761.2) RS485. Максимальная скорость обмена данными по всем интерфейсам равна 57600 бод.

Второй интерфейс RS485 в модели 761.2 предназначен, главным образом, для подключения адаптеров - расширителей АДС97, но может применяться и для объединения приборов в сеть.

Программные средства СПСеть®, ПРОЛОГ, ОРС-сервер «ЛОГИКА» поддерживают обмен данными с приборами. Программа ТЕХНОЛОГ поддерживает их в части автоматизации процедур поверки. 

Метрологические характеристики

Погрешность при рабочих условиях не превышает:

  • ± 0,05% (приведенная) - по показаниям расхода, давления и перепада давления при работе с токовыми входными сигналами 4-20 мА; 
  • ± 0,05% (относительная) - по показаниям расхода при работе с числоимпульсными и частотными входными сигналами; 
  • ± 0,1°C (абсолютная) - по показаниям температуры для термопреобразователей Pt100, 100П, 100М.

Эксплуатационные характеристики

Температура окружающего воздуха: от -10 до 50 °C. 

Относительная влажность: 95% при 35 °C. 

Степень защиты от воды и пыли: IP65.

Габаритные размеры: 244 x 220 x 70 мм.

Электропитание: 220 В ± 30%, 50 Гц.

Потребляемая мощность: 7 В•А.

Срок службы: 12 лет.

Межповерочный интевал: 4 года.

Гарантия: 5 лет.